藏宝阁9100最新版-全年资料免费大全
首 页
走进自力
新闻公告
产品介绍
成功案例
技术与研究
联系我们
搜索
热线:0813-6280463
Menu
搜索
热线:0813-6280463
首 页
走进自力
新闻公告
产品介绍
成功案例
技术与研究
联系我们
新闻公告
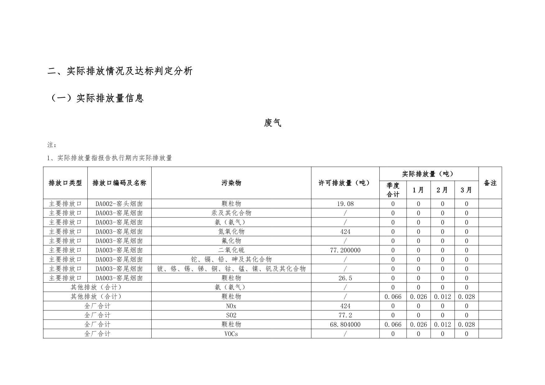
2025年第1季排污许可证执行报告
来源:未知 时间:2025-04-14 20:11 浏览次数:次
上一篇:
藏宝阁9100最新版2025年四季度自行监测数据
下一篇:
2025年第2季排污许可证执行报告